En MAI fait ce qu'il te plait avec une remise de 30% (code promo MAI26) mini de commande 90€ HT
Cliquer pour plus de produits.
Aucun produit n'a été trouvé.

Entretoise de comptoir en laiton poli Ø 32/38 mm

Les entretoises de comptoir sont fréquemment utilisées dans l'agencement pour le maintien et la fixation de tablette en verre sur un comptoir, une banque d'accueil ou pour un meuble de télévision par exemple. Nous vous proposons trois modes de fixation sur le verre, collage UV, avec cabochon plat ou avec cabochon fraisé. La fixation sur le plateau est soit traversante soit invisible.

35,84 € TTC
Hauteur
Finition
Description
Caractéristique
En stock 12 Produits
Référence:
EL32
Aimer0
Ajouter à la liste de souhaits
Produits liés
Description

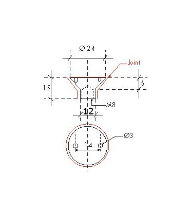
Entretoise de comptoir en laiton massif finition poli brillant, diamètre de la partie tubulaire centrale Ø 32 mm.

Diamètre des manchons (sur plateau bois et sous plateau verre) Ø 38 mm.

Fixation sur le comptoir traversant ou invisible.

Fixation du plateau en verre par cabochon plat Ø 38 mm épaisseur 4 mm ou par cabochon fraisé Ø 24 mm.

Ø de perçage du verre pour l'utilisation des cabochons plats : Ø 16 mm

Ø de perçage du verre pour l'utilisation des cabochons fraisés : Ø 16 mm fraisé à 45° sur Ø 28 mm.

Entretoise fournie avec tous les éléments nécessaire au montage, visserie et joints pvc translucide.

Nous vous les proposons en différentes hauteurs, mais elles sont recoupable et nous pouvons néanmoins les réaliser selon vos dimensions. (Indiquer nous lors de votre commande la hauteur qui vous intéresse dans la zone message)

Détails du produit
EL32

Partager

QR Code

Paramètres

Cliquer pour plus de produits.
Aucun produit n'a été trouvé.

Créez un compte gratuit pour sauvegarder des articles aimés.

Se connecter

Créez un compte gratuit pour utiliser les listes de souhaits.

Se connecter