Cliquer pour plus de produits.
Aucun produit n'a été trouvé.

Profil aluminium support de joint d'étanchéité coupé en 2

Profil en aluminium finition anodisé. Ce profil (support de joint) permet le montage d'un joint d'étanchéité magnétique sur une porte simple action. Il accepte aussi tous types de joints pour du verre d'épaisseur 8 mm.

Profil découpé en deux éléments pour permettre la réduction des frais de transport.

66,53 € TTC
Finition
en stock : expédition sous 24/48 heures. 5 Produits
Référence:
8883E6EV1/2
Aimer0
Ajouter à la liste de souhaits
Produits liés
Pas d'objet
Description

Profil de butée de porte en aluminium finition anodisé effet inox, anodisé naturel ou chromé brillant. Ce profil (support de joint) permet le montage d'un joint d'étanchéité magnétique sur une porte simple action. Il accepte aussi tous types de joints pour du verre d'épaisseur 8 mm.

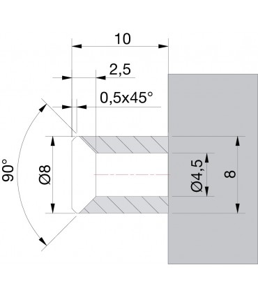
Dimensions : Longueur 2500 mm - Epaisseur 8 mm - Largeur 10 mm.

Le profil est percé fraisé selon gabarit joint pour des vis de diamètre 4.5 mm.

Profil vendu sans joint.

Joint découpé selon votre dimension, sans information de votre part le joint sera coupé en 2 au centre.

Détails du produit
8883E6EV1/2
Avis

Partager

QR Code

Paramètres

Cliquer pour plus de produits.
Aucun produit n'a été trouvé.

Créez un compte gratuit pour sauvegarder des articles aimés.

Se connecter

Créez un compte gratuit pour utiliser les listes de souhaits.

Se connecter

Please sign in first.

Connexion